На стартовую страницу сайта
 
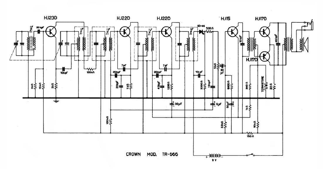
Портативный радиоприёмник "Crown TR-666" выпускался с 1958 года Японской компанией "Asahi Radio Mfg,Co." специально для американской компании "Shriro Trading Co", а она уже продавала модель в США. Супергетеродин. 6 транзисторов. Диапазон АМ - 535...160 кГц. ПЧ - 455 кГц. Чувствительность 3 мВ/м. Селективность 20 дБ. Номинальная выходная мощность 60 мВт. Питание 9 вольт. Габариты - 106x67x35 мм.

Фотография и информация о радиоприёмнике с сайтов http://www.abetterpage.com/, https://www.flickr.com/ и https://www.worthpoint.com/.
 

-----------

i