На стартовую страницу сайта
 
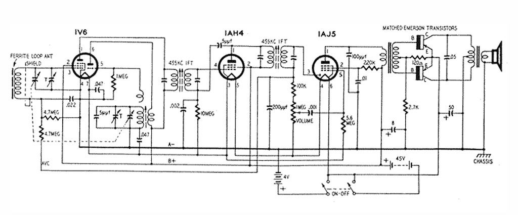
Портативный радиоприёмник "Emerson-838" выпускался с 1955 года корпорацией "Emerson Radio and Phonograph", США. Гибридная модель, собранная на трёх радиолампах и двух транзисторах. Основой стал радиоприёмник "Emerson-747". Супергетеродин. Диапазон - 535...1620 кГц. ПЧ - 455 кГц. АРУ. Громкоговоритель диаметром 7,2 см. Усреднённая выходная мощность - 0,25 Вт, но в пиках сигнала достигает 0,5 Вт. Питание от двух батарей на 4,2 и 45 вольт. Габариты - 155x90x35 мм. Масса с батареями 460 г. Цена на старте продаж $ 44.00.     Видео.  Фото с сайтов www.abetterpage.com, https://it.wikipedia.org, https://wallbee.us/.
 

-------------

i