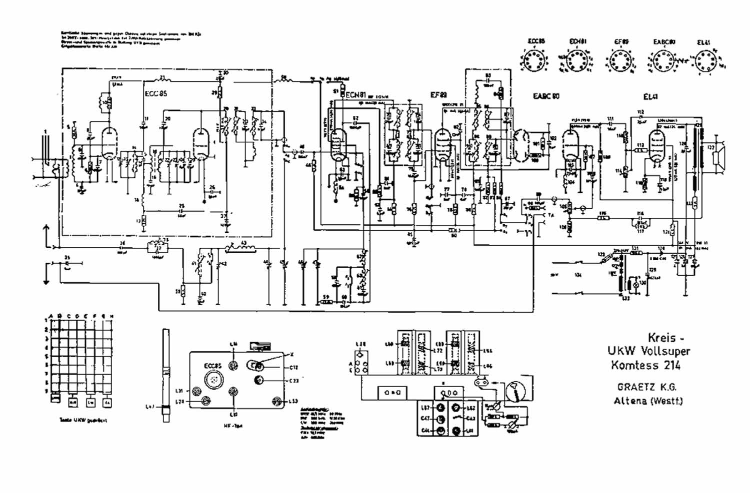
Сетевой ламповый радиоприёмник "Graetz
Komtess 214W" выпускался с 1955 года фирмой "Graetz", Германия. АМ/FM супергетеродин
на 5-ти радиолампах. Диапазоны: LW - 145...350 кГц, MW - 540...1620 кГц,
UKW - 87...102 МГц. ПЧ для АМ - 460 кГц, для FM - 10,7 МГц. Питание от
сети переменного тока 110, 127, 150, 220...240 вольт, 50 Гц. Громкоговоритель
диаметром 13 см. Максимальная выходная мощность 3 Вт. Диапазон воспроизводимых
звуковых частот в UKW диапазоне - 80...13000 Гц, в АМ - 90...5000 Гц. Габариты
модели 315x230x170 мм. Масса 4,3 кг.
Видео-1.
Видео-2.
Видео-3.
Фото с сайта vintage-audioscope.nl.
-
-
-
-
-
-
-
-
-