На стартовую страницу сайта
 
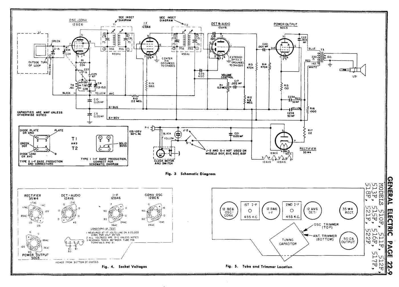
Радиоприёмник "General Electric 518F" выпускался с 1951 года корпорацией "General Electric", США. Супергетеродин на 5-ти радиолампах. Диапазон MW - 540...1600 кГц. ПЧ - 455 кГц. Диаметр громкоговорителя 10,2 см. Максимальная выходная мощность - 1 Вт. Питание от сети переменного тока - 105...120 вольт, 60 Гц.
 

------

i